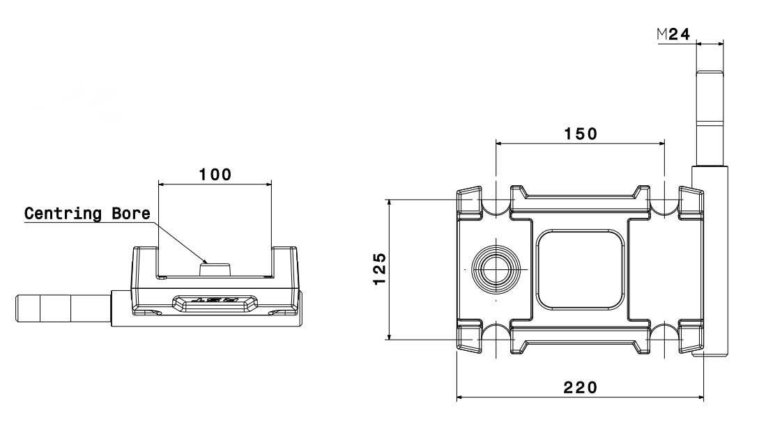
Axle Plates with Bolt (for Shock Absorber Attachment)

Product info
Axle Plates With Bolt box profile120
Table
Product NO. Axle Type
41990020048 / 41990020047 4020
Product NO.
41990020048 / 41990020047
Axle Type
4020